
電導率儀通用技術要求
工業控制用電導率儀相比于實驗室電導率儀來說,有以下幾個特點:
1、按鍵少
工業控制用電導率儀一般來說只有幾個按鍵,而且同一個按鍵的長按與短按均有不同效果,因此對于功能按鍵的檢測尤為重要。
2、操作程序復雜
實驗室電導率儀操作比較簡單,有些實驗室電導率儀無需說明書指引即可直接進行操作測量。工業控制用電導率儀雖然按鍵少,但功能復雜,有些電導率儀操作子目錄竟達10多項,對儀器進行充分熟練的操作是十分必要的,以免誤操作引起流水線的全面停產。因此,配備該型號的工業控制用電導率儀說明書也必不可少。
3、接線亂
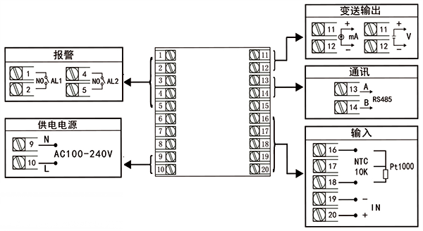
工業控制用電導率儀背后的接線通常比實驗室電導率儀復雜得多,一般實驗室電導率儀的背后接線為一個三芯的電極插口、一個溫度插口和一個電源插入接口。而工業控制用電導率儀一般僅電極接線口就有4-5個接入端子,溫度一般來說也有2個接入端子,還有電源2-3個接入端子和輸出電流2個輸出端子,相對來說極為復雜。因此,必須對工業控制用電導率儀的接線進行檢查和記錄,以免校準完成后無法恢復導致不必要的麻煩。

4、電源危險
工業控制用電導率儀接入電源一般來說有兩種類型:一種為24V直流輸入;另一種為220V交流輸入,因此相對于實驗室電導率儀僅在9V直流輸入下工作的情況,工業控制用電導率儀更具危險性,有必要對工業控制用電導率儀的電源連接進行檢查,以防觸電事故。
5、傳感器雜亂
實驗室電導率儀一般為鉑黑電極和光亮電極,而工業控制用電導率儀的傳感器型號非常雜亂,有電極式傳感器、電感式傳感器和超聲波式傳感器。而對于電極式傳感器,根據用途還分為純水用的不銹鋼傳感器,一般測量用的普通傳感器。根據性質還分為兩電極傳感器和四電極傳感器,而對于不同類型液體的測量,選擇合適的傳感器對于溶液電導率測量起著十分重要的作用。
電導率儀電子單元部分校準
電子單元部分的校準是通過溶液電導模擬裝置對工業控制用電導率儀的電子單元的計量性能測試的校準方法。一般分為電子單元的引用誤差、電子單元的重復性、電導池常數示值誤差和溫度系數誤差。但是,針對工業控制用電導率儀的電子單元部分的校準,有以下特殊情況需要說明。
1、有些工業控制用電導率儀不可以對電子單元部分進行校準
以下情況是無法對工業控制用電導率儀的電子單元部分進行校準的。
①電導率傳感器信號通過USB或者網線接口接入電導率傳送器的工業控制用電導率儀,無法通過正常的接線將電導率模擬信號輸入儀器,這類儀器典型的型號有梅特勒托利多的M800。
②電導率傳感器為電感式電導率傳感器的工業控制用電導率儀。電感式電導率傳感器是采用原級和次級兩個磁環繞組并列安裝在同一軸線上,測量時原級繞組通過產生交變電流,同時產生交變磁場,交變磁場又使次級繞組產生交變電勢。這類儀器典型為E+H的CLM223-CD型號的機器。
③上述講了有些工業控制用電導率儀接線比較復雜,甚至有15個接線端子,接入十幾根連接線的,這些傳感器的連接線很難分辨哪幾個端子為電導率模擬信號輸入和溫度模擬信號輸入。
2、校準電子單元引用誤差時,需選用合適的電導池常數值
工業控制用電導率儀一般來說有好幾種不同的電導池常數數量級,一般有0.01等、0.1等、1等、10等,有部分型號還有0.05等、0.5等規格。針對不同型號的儀器,根據不同測量范圍,需要選用合適的電導池常數。例如,針對+GF+的3-8850-1P,如果測量的是電阻率儀,需選用0.01等的電導池常數進行校準。如果選用1等的電導池常數進行校準,會產生極大的偏差。如果選用的是2000μs/cm左右的電導率儀,那么應該選用1等的電導池常數。如果選用0.01等的電導池常數進行校準,也會產生極大偏差。
3、校準電子單元引用誤差時,需要注意該電導率儀的量程范圍,選擇合適的校準點
實驗室電導率儀的量程范圍一般為0~20μS/cm、0~200μS/cm、0~2000μS/cm、0~20mS/cm等4擋。一般來說計算也比較方便。而工業控制用電導率儀實際情況會有不同的量程范圍,有些儀器只有0~2000μS/cm這一擋,換句話說如果輸入160μS/cm的信號,該儀器只顯示159μS/cm而不是159.0μS/cm,儀器不會自動換擋,那么計算時只能采取2000μS/cm為滿量程,而且這類儀器不適合測量純水等低電導率溶液。可以根據用戶實際使用情況選擇合適的校準點,而不是在該量程范圍內分散分布。特別要注意的是,工業控制用電導率儀類型中的工業控制用電阻率儀,其滿量程范圍為18.2MΩ·cm,而不是通常意義上認為的20MΩ·cm。因為純水的電導率的極限值為5.4911×10-9μS/cm,相當于18.2MΩ·cm。工業控制用電阻率儀的校準點的選擇,也應根據用戶的實際使用情況選擇合適的校準點。根據JJG376-2007中每個量程至少應選擇3個點進行測量的要求,針對工業控制用電阻率儀建議選擇6~9個點進行測量。工業控制用電阻率儀只有1個量程,如果僅選擇3個點進行測量無法客觀評價該儀器的性能,而且一般來說,工業控制用電阻率儀是用于測純水的,所以建議10MΩ·cm以上盡可能多做幾個點,以滿足客戶需要。
4、校準電子單元引用誤差時,需要注意該電導率儀的溫度系數的實際補償情況
實驗室電導率儀一般為線性補償,一般補償系數為2%,而對于工業控制用電導率儀的溫度補償,分為多種方式,一般分為線性和非線性。其中非線性可以分為乙二醇補償法、陽離子補償法、乙醇補償法、氨水補償法和Light84補償法等,而這些非線性補償是無法進行校準的。對于溫度補償,實驗室電導率儀補償值一般為25℃,而對于工業控制用電導率儀,其補償溫度值各不相同,可補償到90℃、20℃、25℃和18℃,以適應不同工業控制環境下的溫度補償要求。因此,對于特殊類型的溫度補償應該予以免檢。
儀器配套部分校準
1、校準儀器配套部分時,應考慮到儀器的實際使用情況,選擇合適的電導池常數校準方法
對于用于工業控制純水用電導率儀,由于純水或高純水只能在封閉管道內流動測量,一旦露置,二氧化碳溶入其中,會使電導率值發生很大變化,遠遠偏離其真實值。所以其校準方法有待于探討,一般分為兩種校準方法: 一種為低電導率標準溶液一點校準法,一般采用100μS/cm、84μS/cm、10μS/cm或5μS/cm的低電導率標準溶液,進行1點校準,以確定電導池常數。上述100μS/cm和84μS/cm相對于二氧化碳溶入水中所產生的電導率值變化來說相對穩定,而10μS/cm和5μS/cm的低電導率標準溶液,一般采用丙醇、水和氯化鉀配制而成,也抑制了二氧化碳溶入溶液的進程,所以其電導率值也相對穩定。采用此方法校準,相對于JJG376-2007中推薦的方法,可能產生較大測量不確定度,其極化效應也將增加。第二種為電導池常數傳遞方式。通過一個已經溯源至更上一級標準并確定電導池常數的電導率傳感電極,通過流通池隔絕空氣,用待確定電導池常數的電導率傳感電極和已確定電導池常數的電導率傳感電極測量同一個液體,經過計算得出待確定的電導池常數,但其測量不確定度無法很客觀地評定。
電感式工業控制用電導率儀的校準方法也有一定特殊性。因為電感式工業控制用電導率儀一般適用于高電導率液體,有些量程高達2000mS/cm,所以如果用146.5μS/cm和1408.3μS/cm的電導率標準溶液校準就明顯不合適,推薦使用12.85mS/cm和111.31mS/cm的電導率標準溶液進行校準。
2、校準儀器配套部分時,應考慮到儀器的實際使用情況,選擇合適的測量溶液進行儀器引用誤差和儀器重復性的校準
根據JJG376-2007中對儀器引用誤差的測試方法,是調節電導池常數,其他設置不變,測量標準溶液1和2,重復操作并測量3次,平均值為測量結果,計算引用誤差。所以,針對用于工業控制純水用電導率儀,建議采用比較低的標準溶液進行測量。而針對電感式工業控制用電導率儀,建議采用比較高的標準溶液進行測量,這樣更接近于實際測量溶液,能更加客觀準確地進行評價。
3、校準儀器配套部分時,建議增加儀器穩定性項目的校準
工業控制用電導率儀相對于實驗室電導率儀來說,檢測時間長,對檢測數據的連續性也極為重視。
4、校準儀器配套部分時,建議增加對儀器輸出部分項目的校準
工業控制用電導率儀一般在流水線上安裝,其數據顯示方式一般為兩種并用,即儀器屏幕上的顯示值和儀器輸出電流的大小的測量反映在中央控制系統的測量值。一般來說現場各類儀表比較多,所以監測工人一般在中央控制室監測儀表的情況,以判斷流水線是否正常運作,所以對儀器輸出部分項目的校準也非常重要,以免出現儀器顯示正確,而因為輸出部分故障而引起不必要的麻煩。
作者:傅家樂(上海市計量測試技術研究院)
相關閱讀
◆電導儀和電導率傳感器維護與維修
◆為什么不能用過程校驗儀替代電阻箱校準電導率變送器
