
圖1 低壓斷路器銘牌信息

圖2 低壓斷路器銘牌上"IT"標識
IEC60417定義該符號為Not suitable for use on IT systems,GB/T14048.2低壓斷路器的標準定義該斷路器不適用于某電壓等級的IT系統。

圖3 不適用于某電壓等級IT系統的標識
什么原因導致標識該符號的斷路器不能用在對應電壓的IT系統中呢?
首先得從低壓配電系統接地型式說起,根據系統電源點的對地關系和負荷側電氣裝置的外露可導電部分的對地關系,低壓系統接地劃分為:TN系統(圖4)、TT系統(圖5)和IT系統(圖6)。
TN-S系統是常見地低壓接地型式,如果按照載流導體的型式劃分一般稱之為三相四線制,而不是三相五線制,因為從IEC的角度載流導體是指正常通過工作電流的導體,PE線只在接地故障時才會有電流流過,不能稱之為“線”。

圖4 TN-S系統

圖5 TT系統

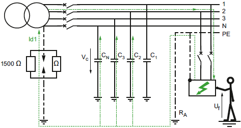
圖6 IT系統(中性點對地絕緣)
第1個字母代表電源對地的關系,比如變壓器中性點與大地的關系,“T”代表中性點與地直接連接(見圖7),“I”代表所有帶電部分與地隔離,或通過高阻抗接地。

圖7 變壓器中性點接地示意圖
第2個字母代表裝置的外露可導電部分對地的關系(見圖8和圖9示例),比如電動機外殼、控制柜外殼等與地的關系,“T”代表外露可導電部分與地直接連接,與系統電源的任何一點的接地無任何連接,“N”代表外露可導電部分與電源系統接地點直接做電氣連接。

圖8 設備外露導電部分接地(空調接地)

圖9 設備外露導電部分接地(電動機外殼接地)
IT系統的電源端不做系統接地,或經過高阻抗接地,所以系統內發生第一次接地故障時,接地故障電流沒有直接返回電源的通路,只能通過另外兩個非故障相導體對地的電容返回電源(見圖10),由于容抗很大,電容電流小,不會引發電擊危險,也不足讓斷路器過電流保護動作,但需要安裝絕緣監測提示報警。

圖10 IT系統第一次接地故障時電流流向
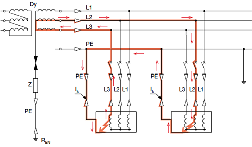
IT系統中只有發生第二次接地故障時轉化為相間短路才需要切斷電源(如圖11)。

圖11 IT系統二次接地故障
對于690V的IT系統,發生相間短路故障時,斷路器分斷時觸頭之間的電壓為690V/1.732=400V,但是如果是因為二次接地故障引起相間短路,那么斷路器分斷時觸頭間的電壓為690V,所以應用在690V系統的斷路器,不光要考核單極觸頭分斷400V短路電流的能力,還需要考核單極分斷690V短路電流的能力。
圖11中的3代表相間短路時斷路器分斷時觸頭間的電壓為400V。1代表C相斷路器上端對地短路,2代表A相斷路器下端對地短路,此時斷路器A相分斷時觸頭間電壓為690V。

圖12 IT系統相間短路、二次接地故障時觸頭電壓
正因如此,低壓斷路器標準GB/T14048.2的附錄H就專門針對應用在IT系統中的斷路器,有特殊的單極短路分斷試驗要求。

試驗是在多極斷路器的一極上進行,試驗電壓為適用的IT系統的最高額定工作電壓的相間電壓,試驗電流等于:短延時脫扣器電流或瞬時脫扣器脫扣電流電流最大整定值的1.2倍,但不小于500A、不超過50kA,試驗程序為:O-t-CO,只有通過上述試驗后,才能宣稱該斷路器適用于該電壓等級的IT系統。
比如,下表為西門子VL塑殼斷路斷路器在690V和415VIT系統中的短路分斷能力宣稱,供參考。

總結一下,IT系統對低壓斷路器有特殊要求,主要是因為二次接地故障會導致相間短路,此時斷路器單極需要分斷系統最高額定工作電壓的相間電壓,只有通過GB/T14048.2附錄H中的試驗,才能宣稱滿足該電壓等級的IT系統,否則需要在斷路器銘牌上標識不適用于某個電壓等級的符號。
作者:賓昭平
相關閱讀
◆斷路器的基本原理
◆消防與非消防負荷所選斷路器有什么區別
◆一文弄懂低壓斷路器結構、用途、功能和脫扣器工作原理
