
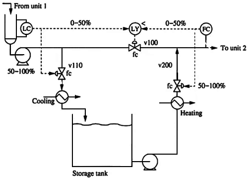
上圖是一個經典教材里的控制方案設計案例。最近在一個群里進行了熱烈討論。很多討論的焦點都是工藝合理性和方案充分性。應該說這些討論的視角都是非常準確的,而且更加根本。在實際控制方案設計中這些討論也是非常必要的。
作為過程控制的教材的案例,往往都是側重某一部分的練習題,肯定不是實際工藝設計。為了突出控制方案,必然要做必要的抽象和簡化。如何才能從控制方案簡圖中獲得教材希望傳達的信息呢?工藝流程和控制要求又是什么呢?本文講講如何理解控制簡圖。
1、找到控制方案:LC分程控制、FC分程控制、V100被LC和FC超馳控制。
2、理解設計意圖:LC高于設定值V110控制液位,V100控制流量,V200全關。LC低于設定值V110全關,V100控制液位,V200控制流量。
3、確定控制要求:FC流量去下游固定,上游來料不能控制,緩沖罐能力不足需要儲罐緩沖。
4、發現設計問題:分程+超馳會導致分程控制切換MV時有失控期。緩沖罐沒有緩沖。
5、改進設計方案:FC用V100控制,高液位用V110控制,低液位用V200控制。三個單回路至簡至優。

很多時候,如果沒有必要的工藝需求和工藝條件的描述是很難僅僅通過簡圖進行判斷的。
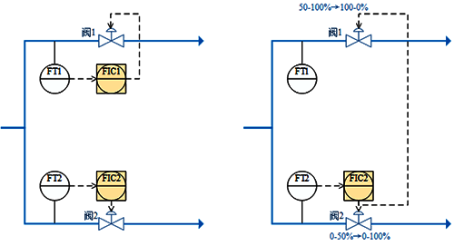
我們可以試著用這個方法對上面兩個流程進行分析:
1、找到控制方案:左邊方案兩個單回路,右邊方案一個流量分程控制。
2、理解設計意圖:左邊方案兩個流量設定值控制、右邊方案流量閥1全開先用閥2控制,閥2全開后用閥1控制。
3、確定控制要求:左邊方案總量不限獨立流量控制、右邊方案最小阻力下支路流量控制。
4、發現設計問題:無。
5、改進設計方案:無。
如果沒有任何說明,都是單回路的控制簡圖很難說有什么問題,至簡至優改進的可能較小。如果增加總量受限工藝條件則左邊方案設計不合理,如何增加流量成比例工藝要求則右邊方案設計不充分。
至簡至優的控制方案,會隨著需求、條件、約束等的改變而隨機應變。所以增加這些關于需求、條件、約束的描述才能設計合理的控制方案。如果沒有這些信息就要從原方案里去分析。
如果超馳、分程、閥位出現了任意2個往往都不是控制方案都不是至簡至優。
簡單的不一定對,復雜的一定不對。
案例如上所示。這個方案就是熱旁路控制溫度然后閥位控制優化的加強版。這個方案中使用了交叉分程控制、大小閥、閥位控制、串級控制等各種眼花繚亂的復雜控制策略。可惜適用范圍不對,控制方案基本無效。
作者:馮少輝博士
