溫度變送器按照供電方式可分為二線制溫度變送器和四線制溫度變送器。二線制溫度變送器輸出端輸出信號和電源共用一根兩芯電纜;四線制溫變送器電源用一根兩芯電纜、輸出端輸出信號用一根兩芯電纜。溫度變送器校驗依據國家標準為《溫度變送器校準規范 JJF 1183-2007》。

1、二線制熱電偶溫度變送器具有參考端溫度自動補償時接線如上圖
1.1 云南昌暉儀表制造有限公司溫度變送器(YR-ER213或YR-ER211)輸入信號為熱電偶時,校驗智能溫度變送器按照此圖接線。其他廠家生產的溫度變送器接線也相同。

1.3 溫度變送器精密測量方法:
根據熱電偶分度表上對應的電勢值,直接由毫伏信號發生器模擬熱電偶輸出信號,測量溫度變送器輸出的4-20mA信號,計算出變送器的測量精度。
這種測量方法可以消除測量過程中冷端溫度變化引起的測量誤差,但補償線本身引起的測量誤差還是無法消除。這種方法一般在實驗室測量和溫度變送器生產廠出廠校驗時使用。

2、二線制熱電偶溫度變送器無參考端溫度自動補償時,變送器校驗接線如上圖
2.1 上圖使用于二線制熱電偶溫度變送器無參考端溫度自動補償時。
2.2 帶補償的熱電偶溫度變送器采用實用測量法進行校對時,也采用這種接線方式:
在變送器輸入端放置一個溫度計,測得冷端溫度值,由分度表查得此溫度電勢值Eω,再根據熱電偶分度表的電勢值E0,由毫伏信號發生器輸出(E0-Eω)值,即模擬熱電偶的輸出,測量熱電偶溫度變送器4-20mA電流輸出值,計算變送器的測量精度。這種方法存在環境溫度變化和溫度計測量冷端誤差兩方面,無法消除這兩方面帶來的測量誤差。因此,通常作為現場零時比對測量時使用,不做為溫度變送器檢定校驗使用。

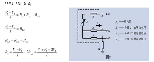
3、二線制熱電阻溫度變送器校驗接線如上圖
3.1 熱電阻信號必須采用三線制接入溫度變送器,有利于獲得更高的測量精度。文章“Pt100兩線制、Pt100三線制和Pt100四線制接線對測溫精度的影響”中有詳細介紹。三線制要求三根導線的材質、線徑、長度一致且工作溫度相同,使三根導線的電阻值相同,即RL1=RL2=RL3。通過導線L1、L2給熱電阻施加激勵電流I,測得電勢V1、V2、V3。導線L3接入高輸入阻抗電路,IL3=0。

3.2 云南昌暉儀表制造有限公司智能溫度變送器(YR-ER213或YR-ER211)輸入信號為熱電阻時,校驗智能溫度變送器按照此圖接線。其他廠家生產的溫度變送器接線也相同。

4、四線制熱電偶溫度變送器具有參考端溫度自動補償時,變送器校驗接線如上圖
注:最常見導軌式熱電偶溫度變送器(一入一出、一入二出等)和架裝式熱電偶溫度變送器接線按照此圖進行。

5、四線制熱電偶溫度變送器無參考端溫度自動補償時,變送器校驗接線如上圖

6、四線制熱電阻溫度變送器校驗接線如上圖
相關閱讀
◆溫度變送器調校技能
◆一句話說溫度變送器校準方式
◆溫度變送器校準規范JJF 1183-2007
◆如何設置昌暉YR-ER213溫度變送器量程及分度號
