昌暉儀表整理了若干現場應用場景的控制方案示例和控制方案應用注意事項分享給大家,希望能讓儀表人迅速了解這些現場應用場景的自控系統該如何去設計和優化。
1、離心泵出口流量控制

①控制動作說明:通過泵出口管線上的流量測量信號來使控制閥動作,從而控制泵出口的流量。
②應用注意
a)控制閥設置在不影響節流元件的位置;
b)控制閥前后的壓差不應小于泵出口壓力力之差的一半;
c)用于泵不會喘振或汽蝕的場合;
d)能量部分消耗在控制閥上,總的機械效率較低;
e)不宜在流量低于正常排量的30%時使用。
2、蒸汽透平驅動離心泵出口流量控制

①控制動作說明:通過打開和關閉設置在蒸汽透平入口蒸汽管線的控制閥,調整蒸汽透平的轉速,控制泵出口流量。
②應用注意
a)經濟實用,但由于蒸汽透平的慣性,響應速度很慢;
b)供應蒸汽壓力和蒸汽凝液壓力需恒定;
c)用在大功率泵或重要泵的場合。
3、電機驅動離心泵的出口流量控制

①控制動作說明:控制閥安裝在定速驅動的泵出口回流管道上, 通過測量回流管分支點的管道流量來控制流量。
a)是一個經濟的方案,但它可防止大容量泵在預期死區操作時出現 燒壞泵的事故;
b)總的機械效率控較低;
c)壓差大流量小, 控制閥口徑較小
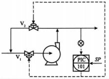
4、旋轉類泵的出口流量控制

①旋轉類泵的出口流量控制方案一作說明:孔板下游的控制孔板下游的控制閥V1和回流管線上控制閥V2的動作是相反的,調節器的輸出同時作用到V1、V2來控制泵出口流量。
②應用注意
a)確保泵出口安裝止回閥;
b)在正常操作時,經過V1、V2的流量應接近1:1,但在確定V2的口徑的情況下,可回流泵的總排出量

③旋轉類泵的出口流量控制方案二作說明:在控制泵出口流量時,同時利用控制回流來控制泵出口的壓力。
②應用注意
a)必須在泵出口管線上設置止回閥;
b)在確定V2閥的口徑時,應考慮當V,關閉情況下,應能通過全部的排出量。
5、旋轉風機的出口流量控

①控制動作說明:流量較大的情況下,流量通過閥V1控制,流量進一步減小時,保持閥V1開度不變,再通過閥V2控制。
②應用注意:注意吸入管線流量不能低于某一臨界值。
6、蒸汽透平驅動往復泵的出口流量控制

①控制方案一:在泵出口設置流量控制,并通過蒸汽透平的蒸汽量來控制泵出口的壓力。
②應用注意
a)在引壓管中采取防止脈沖的措施;
b)選擇合適的壓力控制閥口徑;
c)適用于要求壓力穩定、流量變化較大的場合

③控制方案二:通過改變透平驅動蒸汽量,來改變泵的轉速,從而控制泵的排出量。
④應用注意
a)當孔板下游側的壓力波動小時,采用該方法可以有效進行控制;
b)儀表設備投資大約為方案一的50%;
c) 適用于要求流量穩定的場合。
7、壓縮機的防喘振控制

①控制方案一說明:固定極限流量法,壓縮機在任何轉速下運行時,設定極限流量恒定。
②應用注意
a)設定的極限流量恒定;
b)使用儀表少,可靠性高;
c)適用于固定轉速或負荷不經常變化的場所。

①控制方案二說明:可變極限流量法,在整個壓縮機負荷變化范圍內,極限流量隨轉速的變化而改變。
②應用注意
a)壓縮機制造廠根據喘振線提供相應的計算常數;
b)使用儀表較多,可靠性高;
c)控制方案有多種形式。
8、換熱器溫度控制

①控制方案一說明:利用入口蒸汽管線上的控制閥,來控制換熱器內換熱蒸汽量,蒸汽冷凝液采用疏水器排出。
②應用注意
a)蒸汽疏水器應采用連續疏水式;
b)當采用液體介質作為加熱源時,經換熱后應無相變。

③控制方案二說明:采用溫度控制器和流量控制器進行串級,控制換熱器出口管線上設置的控制閥。
9、蒸餾塔塔頂回流混合溫度控制

①控制動作說明:蒸餾塔頂部回流是通過混合溫度不同的兩種液體來控制一種液體溫度的實例。例中,由于回流罐的液體是用泵來進行塔頂回流,因此采用溫度與流量串級來精確控制塔頂的溫度。
②應用注意:兩種待混合液體必須均勻且穩定混合。
未完,待續。
