實際項目中會存在基于時間的操作需求。比如當某個信號觸發后,延時一定時間,然后執行某種動作(比如接通繼電器)。如果這種需求的安全等級要求不高,可以使用普通時間繼電器或普通PLC的定時器來完成。但是,如果這種需求的安全等級要求較高,萬一失效會導致比較嚴重的后果,那么普通時間繼電器或者普通PLC定時器就不能滿足要求。這時可以考慮兩種方案:
①使用安全PLC;
②使用安全時間繼電器;
安全PLC功能強大,但成本較高。畢竟基于時間的安全控制只是它眾多安全功能的很小部分。如果你的系統恰好是基于安全PLC的系統,那就直接使用其安全定時器指令就可以了。
如果你并沒有使用安全PLC系統,又希望該基于時間操作的需求能滿足一定的安全等級,可以考慮使用Pilz(皮爾磁)的安全時間繼電器。Pilz的安全時間繼電器有PNOS s5和PNOS s9等產品,下面昌暉儀表給大家介紹PNOZ s9安全時間繼電器。
PNOZ s9是一個具有三路安全常開觸點和一路輔助常閉觸點的安全時間繼電器,圖1是PNOZ s9實物圖:

圖1 安全時間繼電器PNOZ s9實物圖
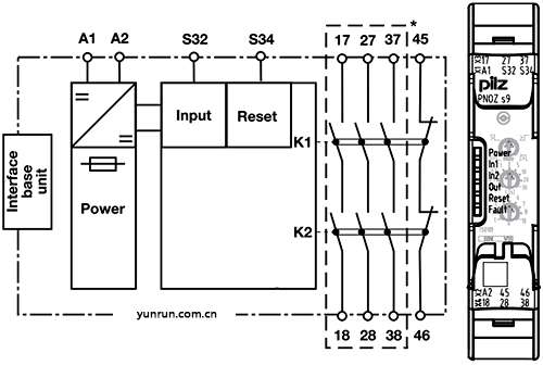
PNOZ s9上、下各有兩個接線端子,上面兩個端子排編號為X1和X3,下面兩個端子編號為X2和X4:X1有三個端子,編號:A1、S32和S34;X3有三個端子,編號:17、27和37;X2有三個端子,編號:A2、45、46;X4有三個端子,編號:18、28、38。
其中:A1和A2為模塊的供電端子,A1為正極,A2為負極;S32是安全輸入信號端子,名稱中的“S”表示“Safe(安全)”;S34是反饋信號輸入端子。舊版本的名稱寫作“Reset”,新版本的PNOZ s9該端子名稱寫作“Feedback”,功能是相同的,即用作反饋信號輸入;17/18、27/28、37/38是三路安全觸點(常開型);45/46是一路普通輔助觸點(常閉型)。

圖2 PNOZ s9內部電氣原理圖
PNOZ s9正前方有三個旋鈕(見圖1),最上方的旋鈕用來設置其工作模式,下面兩個旋鈕用來設置其工作時間(定時的時間)。
1、工作模式
PNOZ s9共有四種工作模式:
①延時斷開,不可重復觸發(Delay-on de-energisation,not retrigerable);
②延時斷開,可重復觸發(Delay-on de-energisation,retrigerable);
③接通脈沖定時(Pulse on switching on);
④延時接通(Delay-on energisation);
所有工作模式都必須接通電源(A1、A2),并且反饋信號為可選信號。當不需要反饋信號時,將S34端子連接到24V電源正極。
下面來介紹各種模式的工作原理:
1.1、延時斷開,不可重復觸發:
符號如圖所示:
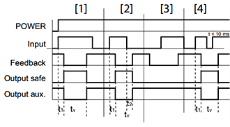
該工作模式下:如果不考慮反饋信號,則當S32輸入端從0變為1時,安全常開觸點閉合,輔助常閉觸點斷開;如果考慮反饋信號,則當S32輸入端從0變為1,并且反饋信號從1變為0時,安全常開觸點閉合,輔助常閉觸點斷開;當S32從1變為0時,開始計時。當設置的時間到了之后,安全常開觸點斷開,輔助常閉觸點閉合,恢復成初始狀態。在計時的過程中,無論S32的信號是否變化,定時器不會被重復觸發,直到之前設置的時間走完,這種稱為“不可重復觸發”;該工作模式的時序圖如圖3所示:

圖3 模式1的時序圖
1.2、延時斷開,可重復觸發:
符號如圖所示:
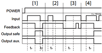
該工作模式與1.1的工作模式很像,不同之處在于:在計時的過程中,如果S32的信號從0變為1,然后又從1變為0,則定時器會再次觸發并重新開始計時。該工作模式的時序圖如圖4所示:

圖4 模式2的時序圖
1.3、接通脈沖定時:
符號如下圖所示:
該工作模式下:當S32的信號從0變為1時開始計時(如果考慮反饋信號還需要反饋信號從1變為0),同時安全常開觸點閉合,輔助常閉觸點斷開;當設置的時間走完后,安全常開觸點斷開,輔助常閉觸點閉合;模式3的時序圖如圖5所示:

圖5 模式3的時序圖
1.4、延時接通:
符號如下圖所示:
該工作模式下:當S32的信號從0變為1時開始計時,此時觸點并不動作。當計時時間到了之后,安全常開觸點閉合,輔助常閉觸點斷開。模式4的時序圖如圖6所示:

圖6 模式4的時序圖
2、怎樣設置時間?
PNOZ s9模塊正前方中間的旋鈕用來設置時間基準,有0.1、0.5、1 ... 30s等多種選擇。最下方的旋鈕用來設置時間的倍數,有1~10個數可以選擇。
定時時間=時間基準×倍數
例如:時間基準為5s,時間倍數為3,則定時時間=5x3=15s。
PNOZ s9可以單獨使用,也可以配合其它安全繼電器使用。當配合PNOZ s系列安全繼電器時,可以使用專用的連接片將兩者連接;當配合PNOZ x洗了安全繼電器時,可以使用硬接線的方式相互連接。
好了,關于安全時間繼電器PNOZ s9就先介紹到這里。
相關閱讀
PILZ皮爾茲公司安全繼電器PNOZ s5使用簡介
使用皮爾茲安全繼電器PNOZ s5監控安全門開關
