過程是這樣實現的。當調試人員在項目調試完成后,設置一個到計時天數,當天數到達后設備鎖機,HMI上跳出解鎖界面,這個時候點擊HMI上的生成解鎖碼按鈕,生成解鎖碼(解鎖碼是在動態驗證碼中挑選8位生成的,在此基礎上還可以擴展出隨機生成的解鎖碼......)。然后客戶把解鎖碼告訴給調試人員,調試人員根據解鎖碼計算出解密密碼告訴給客戶解密(調試人員是需要知道這個解密算法)。

加密計時模塊

程序塊數據結構

程序完成步驟
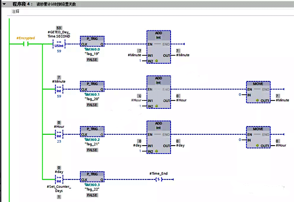
1、首先調用RD_LOC_T讀取日期時間存入到FB塊本地臨時變量中,讀取秒數,根據秒數計算天數


2、調用西門子官方隨機數生成塊,并將隨機數加上索引。

3、將隨機數按照索引的順序,放入相應的寄存器,并轉成字符并顯示在HMI上,可以看到動態的字符變化的炫酷效果。

4、生成解鎖碼顯示在HMI,客戶把這個解鎖碼告訴調試人員,調試人員需要解鎖碼計算出密碼。

5、制作解密算法(這個機密算法根據需要可以自己更改)并強轉成DINT類型,并密碼核對解密。
6、 解密完成復位狀態
源程序請參考博途V15歸檔文件,在此基礎上可以擴展出更復雜的加密解密方法。
