熱電阻測溫不平衡電橋就是將熱電阻和精密電阻組成一個電橋,如圖1所示。圖中熱電阻R1的電阻值會隨著溫度的升高而增大,R2、R3、R4是用精密電阻制作的固定橋臂,RB為測量溫控器,E為電源。當被測溫度為零時,熱電阻的阻值為t0,這時電橋是平衡的,對角c、d兩點沒有電位差;當被測溫度升高時,熱電阻的阻值就會增大,于是c點電位高于d點的電位,就有一個電壓Ucd存在。溫度越高Ucd越大,并且電壓Uad與熱電阻的阻值成一定的對應關系,所以知道了電壓Uad,也就知道了被測溫度的大小。在溫控器中將該電壓進行放大,經過線性化處理及A/D轉換電路就可顯示被測溫度值。

圖1 熱電阻測溫不平衡電橋原理圖
溫控器熱電阻輸入電路
①電橋法測量電路
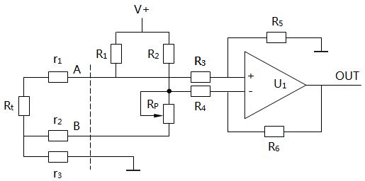
熱電阻測溫不平衡電橋在溫控器、顯示控制儀熱電阻輸入電路中大量應用。圖2是溫控器電橋法測量電路原理。電橋由穩壓電源供電,電阻R1、R2、Rp及熱電阻Rt構成電橋電路。由于R1=R2,溫度為0℃時熱電阻Rt的電阻值為100Ω(鉑熱電阻),調Rp使其為100Ω時電橋平衡,電橋的輸出信號為零。差分放大器的輸出電壓為0V,溫控器顯示為0℃。當被測溫度上升時,Rt的阻值也上升,電橋的輸出信號也上升,此時U1的同相輸入端電壓上升,且輸出電壓往正方向變化,溫控器的顯示溫度也正向上升。當被測溫度下降時,則反之。當R3=R4,R5=R6時,R6/R4的值就是U1的電壓放大倍數。熱電阻與溫控器采用三線制連接,且導線電阻r1=r2=r3,導線A與B分別接在電橋的兩個橋臂上,當導線的電阻變化時,可以互相抵消一部分,以減少對溫控器示值的影響,理論上說可以消除導線的影響,但實際上并不能完全消除。

圖2 溫控器輸入電路之電橋法測量電路原理
相關閱讀
為什么熱電阻與顯示儀表有兩線制、三線制、四線制的接線法
Pt100兩線制、Pt100三線制和Pt100四線制接線對測溫精度的影響
