儀表工使用溫控器控制電爐溫度時,溫控器的輸出有過零觸發、移相觸發、開關量輸出和電流輸出等形式供大家選擇。只有確理解晶閘管的過零觸發和移相觸發的含義、特點及觸發電路,才能正確選擇溫控器輸出方式及構建溫度控制系統。
什么是晶閘管過零觸發?
過零觸發是指當加入觸發信號,晶閘管在交流負載電壓為零或接近為零時,晶閘管才導通;當斷開觸發信號,晶閘管要等到交流負載電壓為零或接近為零時,晶閘管才斷開。如圖1所示,過零觸發就是在剛剛過箭頭處觸發,觸發信號起始點之后的幾乎整個半波是全導通的,如圖中陰影所示。過零觸發是在給定時間間隔內,改變晶閘管導通的周波數來實現電壓或功率的控制。當過零觸發的通斷比太小時會出現低頻干擾,通常只適用于熱慣性較大的電熱負載。過零觸發是改變晶閘管導通的周波數,輸出波形仍然是正弦波。

圖1 過零觸發波形示意圖
什么是晶閘管移相觸發?
如果是在其他時間觸發,如圖2則為移相觸發。此次觸發的電源有效范圍是從觸發起到下次零點前的那一部分,即圖中A處半波的陰影范圍。移相觸發是通過控制晶閘管的導通角來控制晶閘管的導通量,從而改變負載上所加的功率。其控制波動小,使輸出電流、電壓能平滑升降。移相觸發的輸出波形被斬了一截,所以負載得到的是一種有缺角的正弦波;因此,移相觸發會引起電源波形畸變和高頻電磁干擾。

圖2 移相觸發波形示意圖
單路晶閘管過零觸發輸出電路
圖3是某品牌溫控器的單路晶閘管過零觸發輸出模塊的電路原理圖,該電路采用了MOC3083光電耦合器。它由砷化鎵發光二極管及具有自動過零檢測功能的雙向晶閘管組成。該光電耦合器有六個引腳,1、2是輸入端,4、6是輸出端。1、2由溫控器的MCU進行控制,當1、2之間有大于5mA的觸發電流時,把發光二極管點亮,然后MOC3083中的過零檢測電路檢測4、6之間的電壓,電壓出現過零點則觸發雙向晶閘管,使4、6由斷開狀態轉變為導通狀態。當1、2之間的電流消失時,4、6由導通狀態轉變為斷開狀態。IC1光電耦合器4、6的通斷又控制了BCR1的通斷狀態,并從溫控器接線端子輸出過零觸發驅動信號。該電路的輸出管選擇了三象限雙向晶閘管,可以不用外接RC緩沖電路。

圖3 溫控儀單路晶閘管過零觸發輸出電路
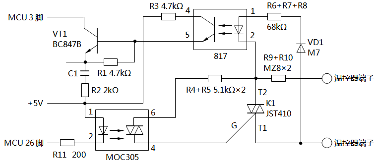
單路晶閘管移相觸發輸出電路
圖4是某品牌溫控器的單路晶閘管移相觸發輸出模塊的電路原理圖,圖中驅動輸出采用JST410雙向晶閘管。817光電耦合器是同步信號檢測的隔離器件,它將檢測的過零同步信號傳送至VT1放大后,送至MCU3腳,MCU根據過零同步信號來確定觸發信號,使其按移相要求輸出觸發脈沖信號。MCU 26腳輸出為低電平時,MOC3052光電耦合雙向晶閘管驅動器被觸發導通,同時又使K1導通,該移相觸發驅動信號通過溫控器接線端子輸出,該信號驅動外接的晶閘管導通從而接通電加熱器電源。

圖4 溫控器單路晶閘管移相觸發輸出電路
相關產品
移相觸發器_可控硅移相觸發器電路圖
