1、單相功率的測量
如圖1所示是單相電路功率測量電路,功率表W由電壓和電流線圈組成,電流線圈與電流表串聯,而后與負載Z連接;電壓線圈與負載并聯,二線圈同名端相連后與電源正端連接。

圖1 單相電路功率的測量電路
接通電源后,功率表顯示負載功率,開關置于cosφ處,則可測量負載的功率因素。電路中有電壓表和電流表,可同時測量電壓和電流。
2、三相功率的測量方法
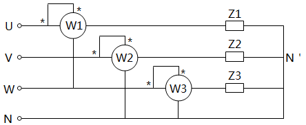
①三相四線制供電,負載星形連接(即Y0接法)
對于三相不對稱負載,用三個單相功率表測量,測量電路如圖2所示,三個單相功率表的讀數為W1、W2、W3,則三相功率P=W1+W2+W3,這種測量方法稱為三瓦特表法;對于三相對稱負載,用一個單相功率表測量即可,若功率表的讀數為W,則三相功率P=3W,稱為瓦特表法。

圖2 三相四線制負載星形聯接
②三相三線供電

圖3 三相三線制負載星形聯接
三相三線制供電系統中,不論三相負載是否對稱,也不論負載是Y或△連接,都可用二瓦特表法測量三相負載的有功功率。測量電路如圖3所示。若兩個功率表的讀數為W2、W2,則三相功率P=W1+W2=U1×I1×cos(30°-φ)+U1×I1×cos(30°+φ),其中φ為負載的阻抗角(即功率因素角),兩個功率表的讀數與φ有下列關系:
◆當負載為純電阻,φ=0,W1=W2,即兩個功率表讀數相同;
◆當負載功率因素cos=0.5,φ=±60°,將有一個功率表的讀數為零;
◆當負載功率因素cos小于0.5,|φ|>60°,則有一個功率表的讀數為負值,該功率表指針將反方向偏轉,這是應將功率表電流線圈的兩個端子調換(不能調換電壓線圈端子),而讀數應記為負值。對于數字式功率表將出現負讀數。
③測量三相對稱負載的無功功率
在三相對稱系統中,三相電壓完全對稱,各相負載阻抗完全相同,則各相電流亦完全對稱,此時僅需要用功率表測量出一相負載的有功功率P,再乘以3倍,則得三相總功率,即P=3Pφ=3×Uφ×Iφ×cosφ

圖4 無功功率的測量
為了測得三相無功功率,可按圖4接線,將功率表的電流線圈串入任意一相線路中,而將電壓線圈電路連接到另外兩相的電源端上,由于三相電路中任意兩相間的線電壓總是與星形聯接時的第三相相電壓相位差90°。所以此時功率表的讀數為W=U1×I1×sinφ,其中φ為負載的阻抗角。則三相負載的無功功率Q=√3×W=√3×U1×I1×sinφ。比較常見的有三相無功功率表和單相無功功率表
3、負載的功率因素測量

圖5 功率因素的測量
在圖5a電路中,負載的有功功率P=U×I×cosφ,其中cosφ為功率因素,功率因素角為
且-90°≤φ≤90°。把圖5b、c、d分別作為負載接入電路中,則:◆當Z=R,φ=0,cosφ=1,電阻性負載
◆當Z=XL,φ>0,cosφ>0,感性負載
◆當Z=Xc,φ<0,cosφ>0,容性負載
可見,功率因素的大小和性質由負載的大小和性質決定。
