三相異步電動機的定子繞組由U、V、W三相繞組組成,這三相繞組有6個接線端,它們與接線盒的6個接線柱連接。在接線盒上,可以通過將不同的接線柱短接,來將三相異步電動機定子繞組接成星形或三角形。

圖1 三相異步電動機接線盒
1、星形接線法
要將定子繞組接成星形,可按圖2a所示的方法接線。接線時,用短路線把接線盒中W2、U2、V2接線柱短接起來,這樣就將電機內部的繞組接成了星形。

圖2a 定子繞組按星形接法接線

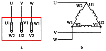
圖2 定子繞組按三角形接法接線
2、三角形接線法
要將電動機內部的三相繞組接成三角形,可用短路線將接線盒中的U1和W2、V1和U2、W1和V2接線柱按圖2b接起來,然后從U1、V1、W1接線柱分別引出導線,與三相交流電源的3根相線連接。如果三相交流電源的相線之間的電壓是380V,那么對于定子繞組按星形連接的電動機,其每相繞組承受的電壓為220V;對于定子繞組按三角形連接的電動機,其每相繞組承受的電壓為380V。所以三角形接法的電動機在工作時,其定子繞組將承受更高的電壓。
3、三相異步電動機銘牌的識別
三相異步電動機一般會在外殼上安裝一個銘牌,銘牌就相當于簡單的說明書,它標注了電動機的型號、主要技術參數等信息。下面以圖3的三相異步電動機銘牌為例來說明銘牌上各項內容的含義。

①電動機型號(Y112M4-4)。型號通常由字母和數字組成,其含義說明如下:
Y 112 M - 4
| | | |-----------------磁極數
| | |-------------------------機座類別(L為長機座;M為中機座;S為短機座)
| |--------------------------------中心高度(mm)
|--------------------------------------異步電動機
②額定功率(功率4.0kW)。該功率是在額定狀態工作時電動機所輸出的機械功率。
③額定電流(電流8.8A)。該電流是在額定狀態工作時流入電動機定子繞組的電流。
④額定電壓(電壓380V)。該電壓是在額定工作時加到定子繞組的線電壓。
⑤額定轉速(轉速1440r/min)。該轉速是在額定工作狀態時電動機轉軸的線速。
⑥噪聲等級(LW82dB)。噪聲等級通常用LW值表示,LW值的單位是dB(分貝),LW值越小表示電動機運轉時噪聲越小。
⑦連接方式(△連接)。該連接方式是指在額定電壓下定子繞組采用的連接方式,連接方式有三角形連接方式和星形連接方式兩種。在電動機工作前,要在接線盒中將定子繞組接成銘牌要求的接法。
4、三相異步電動機定子繞組連接錯誤的后果
如果接法錯誤,輕則電動機工作效率降低,重則損壞電動機。例如:若將要求按星形連接的繞組接成三角形,那么繞組承受的電壓會很高,流過的電流會增大而易使繞組燒壞;若將要求按三角形連接的繞組接成星形,那么繞組上的電壓會降低,流過繞組的電流減小而使電動機功率下降。一般功率≤3kW的電動機,其定子繞組應按星形連接;功率≥4kw的電動機,定子繞組應采用三角形連接。
相關閱讀
三相異步電動機原理和結構
三相異步電動機的典型應用及控制電路
如何判斷三相異步電動機的磁極對數和轉速
電機與配套的斷路器/接觸器/熱繼電器參數對照表
