西門子S7-400 PLC與S7-300 PLC類似,因此在接地方面的要求也與S7-300 PLC接地有很多都相同之處,在此僅對S7-400 PLC獨有的特性進行說明。
1、S7-400 PLC系統的接地總覽
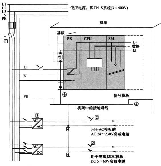
S7-400 PLC系統的供電是通過電源模板和背板總線實現的,這與S7-300 PLC系統有所區別。P5407電源模板從供電系統取電(例如L1、N、PE),然后給背板總線提供DC24V和DC5V電源,從而進一步給機架上的其他模板內部芯片提供電源。機架導軌、參考位M
和機柜均與機柜內的接地母線連接,最后與TN-S供電系統的PE連接,如圖1所示。

圖1 具有接地電源的S7-400 PLC系統
2、西門子S7-400 PLC系統的接地規范
①電源模板的接地要求
S7-400 PLC電源模板(PS407)連接到供電電源上時需使用專用的電源連接器(插頭),如圖2所示。

圖2 電源連接器連線示意圖
注意:應將PE線進行連接。
②S7-400 PLC的CPU的接地連接
A、具有參考接地電位(0V)
如果系統已有參考接地電位方式構成的,則任何擾動電流都被釋放到大地中去。
在S7-400 PLC的安裝底板的最左側,有一個金屬連接片,同時左下角還有一個接地端子。正常情況下,將接地端子接地后,系統通過金屬連接片實現了系統內部參考電位M(0V)通過金屬連接片進行接地,如圖3所示。

圖3 具有參考接地電位的S7-400 PLC結構
實物如圖4所示。默認情況下,S7-400 PLC系統均采用該接地方式。

圖4 S7-400 PLC安裝底板上的金屬短接片
B、沒有參考接地電位(浮地方式)
如果在一個大型設備中,需要對地線的故障進行監測(例如在化學工業或者在電站項目中,常有這樣的要求),則需要將S7-400 PLC系統采用浮地的方式,此時須將金屬片拆除。
在浮地系統中,由于底板上參考接地電位M和“地”之間的金屬片被拆掉,此時S7-400 PLC的參考電位M是通過RC網絡后才接大地接地端的。此時將左下角的接地端子進行接地處理后,可以通過RC回路釋放擾動電流,并可避免靜電荷的產生,如圖5所示。

圖5 沒有參考接地電位的S7-400 PLC結構
實物如圖6所示。

圖6 S7-400 PLC安裝底板上的金屬短接片被拆掉
如果系統只希望在CR處與整個設備相連接,則此時各個ER都是以浮地的方式處理。(例如:如果一個ER是通過具有5V電源連接的IM連接到CR的,則該ER必須浮地)。
PG如果連接到一個浮地的S7-400 PLC系統時,必須通過下個RS-485中繼器來連接。
C、系統中存在隔離模板
如果S7-400 PLC系統中存在隔離的模板,則系統的參考電位(0V內部)和外部的負載電路的參考電位(0V外部)是隔離的,如圖7所示。

圖7 隔離模板的低與系統地須隔離
對于輸出模板,如果有額外的負載電源,則此時該負載電源與系統電源有兩種可能性:隔離的或非隔離的電源。
a、對于非隔離電源,則應將金屬短接片保留,同時將系統地相連,如圖8所示。

圖8 對于非隔離電源的接地方式
b、對于隔離電源,則負載電源的地線不與系統內的任何地線進行連接。
③S7-400 PLC數字量模板的接地要求
請參看S7-300 PLC接地部分。
④S7-400 PLC模擬量模板的接地要求
請參看S7-300 PLC接地部分。
A、將傳感器連接到模擬量輸入模板
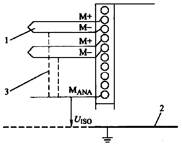
a、連接電隔離傳感器隔離傳感器不與本地的“地電位”連接(機殼接地),它們可處于浮接狀態。
為了確保在受EMC嚴重影響的環境下不超出UCM的允許值(請參看具體模板參數),請將信號測量線路的M-與模板的MANA連接,如圖9所示。

圖9 將隔離傳感器連接到電隔離AI模板
說明:1為電隔離傳感器;2為外殼接地;3對于帶MANA的模塊,需要進行連接;M+為測量線路正極;M-為測量線路負極;MANA為模擬測量電路的參考電位;UISO為MANA與機殼接地間的電位差。
注意:當連接2線制傳感器進行電流測量以及連接電阻類型的傳感器時,請不要將M-連接到MANA。此規則也適用于已進行相應編程但尚未使用的輸入。
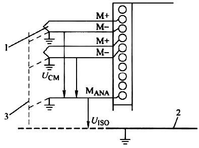
b、非隔離傳感器連接到模板
使用非隔離傳感器時,必須將MANA連接到機殼接地。
根據本地條件或干擾的不同,在本地分布的測量點之間可能出現電位差UCM,如果超過 UCM的允許值,則在測量點之間必須進行等電位連接,如圖10所示。

圖10 將非隔離傳感器連接到電隔離AI模板
說明:1為非隔離傳感器;2為機殼接地;3為等電位連接導線;M+為測量線路正極;M-為測量線路負極; MANA為模擬測量電路的參考電位;UISO為MANA與機殼接地間的電位差。
B、將負載/執行器連接到模擬量輸出
對于隔離的模擬量輸出模塊,在測量電路MANA的參考點和機殼接地之間沒有電氣連接。如果在測量電路MANA的參考點和機殼接地之間出現電位差UISO,則必須使用隔離的模擬量輸出模塊。通過MANA端子和機殼接地之間的等電位連接導線,可確保UISO不超過允許值。
a、對負載/執行器連接到電壓輸出
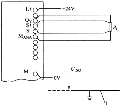
◆ 負載到電壓輸出的4線制連接
采用4線負載電路可獲得更高的精度。對S-和S+傳感器線路直接接線并連接到負載。這樣即可直接測量和修正負載電壓。
干擾和電壓突降可能會在檢測線路S-和模擬電路MANA的參考回路間產生電位差。此電 位差(UCM)不得超過允許值。任何超過限制值的電位差都會對模擬信號的精度產生不利影響,如圖11所示。
圖11 負載到電隔離模擬量輸出模塊電壓輸出的4線制連接
說明:1為外殼接地;L+為DC24V供電電壓接線端;Qv為模擬量輸出電壓;S+為檢測線路正極;S-為檢測線路負極;MANA為模擬電路的參考電位;M為接地; UISO為MANA與機殼接地間的電位差
◆負載到電壓輸出的2線制連接
使用2線連接時,應在前連接器上將S+連接到Qv,將端子S連接到MANA。但這樣達不到4線制連接的精度。而負載則連接到Qv和MANA端子,如圖12所示。

圖12 負載到電隔離模擬量輸出模塊電壓輸出的2線制連接
b、對負載/執行器連接到電流輸出
負載應連接在Q1和MANA端子之間,如圖13所示。

圖13 將負載連接到隔離AO模板的電流輸出
說明:L+為DC24V供電電壓接線端; Q1為模擬量輸出電流;MANA為模擬電路的參考電位; M為接地;UISO為MANA與機殼接地間的電位差。
3、S7-400 PLC系統接地電纜的要求
接地線纜的選擇:
①用正確的導線確保線徑適合承載所需電流,具體要求見表1
表1 電源和前連接器的接線
②系統布線應分組(高壓/電源/信號/數據電纜),用隔離的管道或單獨的電纜束來布放高壓、信號或數據線。數據電纜和低壓電纜與其他電纜的布置要求見表2
表2 數據電纜和低壓電纜與其他電纜的布置要求
中壓/高壓電纜與其他電纜的布置要求見表3
表3 中壓/高壓電纜與其他電纜的布置要求
③所有地線應盡可能地短且應使用大線徑,見下面接地說明,例如:最小直徑為10mm2。
機柜/框架接地:通過優質金屬制成的電纜連接到地母線;
基板接地:在機柜中,沒有安裝基板和沒有通過大金屬篇(塊)做內部連接時,應將基板通過截面積至少為10mm2的電纜連接到地母線上;
模板接地:由于模板插入基板后,通過后底部自動接地,所以不再需要另外接地;
外設接地:通過電源插頭接地;
連接用電纜的屏蔽層接地:連接到基板或地母線上(應避免構成地線回路);傳感器和執行接接地:根據該系統的有關規范來接線。
