1、雙法蘭差壓變送器
法蘭變送器是在普通的變送器基礎上增加了一個遠程密封裝置構成的,所以也叫遠傳差壓變送器。 遠程密封裝置由法蘭膜盒、毛細管和毛細管內的填充液三部分組成。 工作時,被測介質作用在法蘭膜盒的隔離膜片上,使膜片產生變形然后通過毛細管內的填充液, 將壓力傳到變送器的敏感元件,經轉換,儀表便輸出相應的信號。 以下情況需要用到法蘭變送器: 過程溫度超出變送器的正常工作范圍, 而且不能用導壓管把溫度調節至極限范圍內;過程具有腐蝕性,需要頻繁更換變送器或使用特殊結構材料; 過程中含有懸浮固體顆粒或者具有粘滯性,可能會堵塞導壓管;要求使用衛生連接件;要求能夠輕松清洗連接件位置,以避免批次間的污染;參考液柱不穩定,需要更換濕/ 干柱以減少維護工作,或需要重新灌充/ 排干;需要測量密度或界面;變送器或導壓管中的過程介質可能凍結或凝固。

雙法蘭差壓變送器測量液位的原理和普通差壓變送器測量液位的原理是一樣的,所不同的是引壓方式。 容器中的液體或物料受重力的作用,會對容器底部或側壁產生一定的靜壓力P。 當液體或物料的密度均勻時,此靜壓力與液體的高度h成正比,使用變送器測出容器底部的靜壓力,就可知道液位高度。
2、雙法蘭差壓變送器安裝和調試
雙法蘭液位變送器的正確規范安裝以及與安裝方式對應量程、上限、下限的計算和設置決定了液位測量的正確性和準確性。根據雙法蘭變送器的特點,對變送器位于兩個法蘭中間、下部法蘭下方和上部法蘭上方等3種安裝以及安裝方式對應的參數計算和設置方法進行比較分析。
①雙法蘭差壓變送器安裝在兩個法蘭中間
雙法蘭差壓變送器安裝高度在兩個法蘭中間,變送器的正壓室(H側)測接下部法蘭,負壓室(L側)側接上部法蘭,這種安裝方
式符合工作人員的習慣及常識,如圖 2 所示。

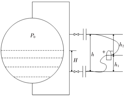
圖2 雙法蘭差壓變送器安裝在密閉容器兩個法蘭之間
圖2中,H為高加內的實際液位;h為高加內的上部法蘭和下部法蘭之間的距離;h1為變送器負壓側和高加上部法蘭之間的高度;h2 為變送器正壓側和高加下部法蘭之間的高度;P0 為設計工況下高加內的壓力;ρ水為設計工況下高加內水的密度;ρ介為毛細管內所充介質的密度。
在高加內水的高度為H時,雙法蘭差壓變送器正壓測所受的壓力為:P+=P0+ρ水×gH-ρ介×g×h2;雙法蘭差壓變送器負壓側所受的壓力為:P-=P0+ρ介×g×h2;所以,變送器正負壓側的差壓:P=P+-P-=ρ水×g×H-ρ介×g×h2-ρ介×g×h2=ρ水×g×H-ρ水×g×h;當液面最低H=0時, P1=-ρ介×g×h;當液面最高H=h時,P2=-ρ水×g×h-ρ介×g×h。
所以雙法蘭差壓變送器要做負遷移,遷移量:A=-ρ介×g×h;雙法蘭差壓變送器需要校驗的量程為:L=P2-P1=ρ水×g×h;利用手操器將變送器的零點設置為-ρ介×g×h, 滿點設置為ρ水×g×h-ρ介×g×h,其對應輸出為4-20mADC。
②雙法蘭差壓變送器安裝在兩個法蘭下方
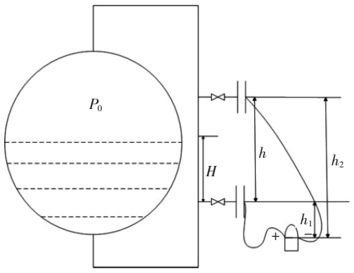
雙法蘭差壓變送器位于下部法蘭下面,和圖2一樣使用常用的高壓側接下面、負壓側接上面的引壓方式,雙法蘭差壓變送器的布置和常規電廠高加液位測量以及常見密閉容器測量液位一樣,如圖3所示。 這種安裝方式一般需要把雙法蘭差壓變送器布置于容器所在平臺的下一層。雙法蘭差壓變送器正壓側所受的壓力為:P+=P0+ρ介×g×H+ρ介×g×h2;負壓側所受的壓力為:P-=P0+ρ介×g×h2;所以,雙法蘭差壓變送器正負壓側的差壓:P=P+-P-=ρ水×g×H-ρ介×g×h2-ρ介×g×h2=ρ水×g×H-ρ水×g×h;當液面最低H=0時, P1=-ρ介×g×h;當液面最高H=h時,P2=-ρ水×g×h-ρ介×g×h。所以變送器要做負遷移,遷移量:A=-ρ介×g×h;所以雙法蘭差壓變送器需要校驗的量程為:L=P2-P1=ρ水×g×h;利用手操器將變送器的零點設置為-ρ介×g×h, 滿點設置為:ρ水×g×h-ρ介×g×h,其對應輸出為4-20mADC。

圖3 雙法蘭差壓變送器安裝在密閉容器低端法蘭之下
③雙法蘭差壓變送器安裝在兩法蘭上方
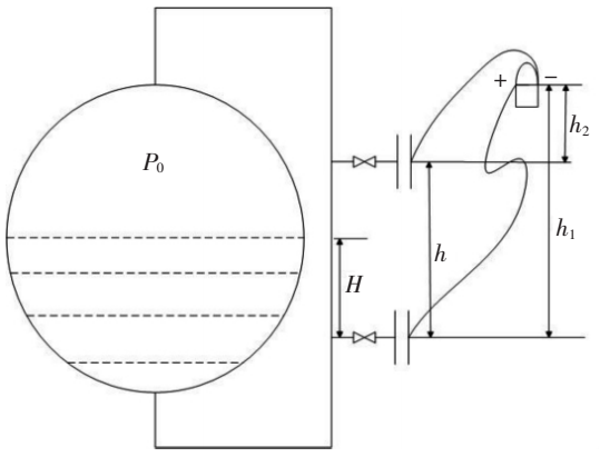
雙法蘭差壓變送器位于上部法蘭上面,引壓方式和上述兩種方法一致,如圖4所示,但這種布置方式很少用到。
變送器正壓側所受的壓力為:P+=P0+ρ水×g×H-ρ介×g×h2;變送器負壓側所受的壓力為:P-=P0+ρ介×g×h2;所以,雙法蘭差壓變送器正負壓側的差壓:P=P+-P-=ρ水×g×H-ρ介×g×h2-ρ介×g×h2=ρ水×g×H-ρ介×g×h;當液面最低H=0時,P1=-ρ介×g×h;當液面最高H=h時,P2=-ρ水×g×h-ρ介×g×h。所以雙法蘭差壓變送器要做負遷移,遷移量:A=-ρ介×g×h;所以雙法蘭差壓變送器需要校驗的量程為:L=P2-P1=ρ水×g×h;利用手操器對變送器的零點設置為-ρ介×g×h, 滿點設置為:ρ水×g×h-ρ介×g×h,其對應輸出為4-20mADC。

圖4 雙法蘭差壓變送器安裝在密閉容器高端法蘭之上
④雙法蘭差壓變送器調試安裝
通過上面3種安裝方式的計算,可以看出,雙法蘭差壓變送器在高加液位測量中,無論變送器安裝在取壓口的任何位置,其遷移量和量程都是不變的。 其安裝位置對變送器的量程以及遷移量是沒有影響的。在對變送器相關參數進行計算時,毛細管填充液的密度 ρ介是已知的, 通過設計文件或者現場精確測量可以得到兩個法蘭的安裝距離h, 這樣可以方便計算出液位變送器的量程L和遷移量 A。 然后用 HART手操器對變送器的零點和滿點進行設置。
雙法蘭差壓變送器的校驗和普通差壓變送器類似,但需要考慮毛細管內的液位變化帶來的壓力變化。 所以需將變送器的兩個法蘭置于同一水平面上,用法蘭連接頭連接變送器毛細管法蘭和壓力校驗儀,壓力平穩升至最大量程,并保持15min,確認毛細管無泄漏,然后用5點法在P1到P2范圍內進行校驗。校驗過程中,膜片朝下放置可能會損傷膜片表壓,應做好保護。
雙法蘭差壓變送器校驗合格后, 安裝前應檢查法蘭與毛細管、毛細管與變送器的連接部分及毛細管本身是否有液體泄漏;法蘭膜片有無變形、損傷、腐蝕。 安裝時,為減小環境溫差的影響,可將高、低壓側的毛細管束在一起,并將毛細管束綁扎以免振動等的影響,超長部分的毛細管應卷在一起固定;彎曲毛細管時,彎曲半徑不應小于150mm,以免管截面變小,影響壓力傳送,降低靈敏度;安裝過程中,避免扭曲、擠壓毛細管。
三門核電采用第一種安裝方式,為了運行巡檢及維護方便,各個高加的3個液位變送器統一安裝在一個儀表架內(布置在和高加同一平臺且周圍環境溫度相對穩定的地方),這樣可以減小或者消除因周圍環境溫度變化導致毛細管填充液膨脹收縮引起的附加誤差。
3、雙法蘭差壓變送器和普通差壓液位變送器的比較
①省去了平衡容器和儀表管,減少維護工作
由于變送器毛細管內充滿介質, 所以省去了平衡容器、參比液柱和儀表管,減少了設備投入以及這些設備的日常維護工作, 同時也消除了因平衡容器內液位變動,儀表管堵、漏和有不凝性氣體引起的附加誤差。
②省去了閥組 ,減少了閥組的投入以及日常維護工作。
③因法蘭膜盒離變送器本體遠 ,而且毛細管內充滿隔離介質, 所以在合理選擇毛細管介質的情況下,可以測量更高的溫度,不需要很長的儀表管對接液進行冷卻。
④安裝方便,可以和高加布置在同一層平臺,不用考慮引壓點的位置,巡檢及維護方便。 而普通差壓變送器測量液位需要通過很長的儀表管,引壓到更低一層的平臺,增加了投入及維護難度。
⑤測量精度和普通差壓變送器幾乎相同。
⑥因為雙法蘭差壓變送器比普通變送器多了一個遠傳密封裝置, 所以儀表的結構相對較為復雜,材質要求高,價格也更貴。
經過正確的校驗、安裝和調試,使用雙法蘭差壓變送器能準確地測量高加液位,和使用普通差壓變送器測量液位相比,優點明顯,維護相對減少,而且布置更加靈活。
