昌暉儀表在本文分享控制器積分飽的概念和五種控制器抗積分飽和方法,對大家更好發揮控制器作用提供較好的借鑒。
1、積分飽和的概念
有積分特性的控制器普遍存在積分飽和問題,就是說,這種控制器只要偏差沒有消失,其輸出就會按偏差的極性向兩個極端位置(最大或最小)的方向變化。這樣就會出現控制器或執行器損壞,并因克服反向擾動的速度降低而惡化系統的控制品質。對于前者,無需多加說明對于后者,可用圖1來說明。當控制器輸出達到規定的上、下限時,執行器已處于飽和狀態,即Pout繼續增加,執行器也不會繼續動作。因為控制器做了虛擬的控制動作,故通過控制器的介質不會改變。一旦控制系統出現擾動,使控制偏差的極性變反,控制器的輸出要慢慢從深飽和區退出,直到處于信號范圍才能改變控制介質的流量。就是說,從P1點退到控制系統開始起作用的P2點,要耽誤從P1點到P2點的運動時間,即在T1至T2的時間內,控制系統不起任何作用。

圖1 控制器的工作區和深飽和區
2、防積分飽和的方法
①采用比例控制器
這是防積分飽和的最簡單的方法,但會使系統產生靜差。因此,該方法作為防積分飽和措施而言是很少采用的,也不值得推薦。
②采用限幅裝置
采用某種形式的限幅是防積分飽和的另一種方法。工業上應用的氣動控制器都配有限幅裝置。根據限幅裝置的限幅范圍,可使控制器的輸出不超越控制器所限定的輸出范圍。嚴格地說,這種輸出限幅并不是真正的防積分飽和,只是限幅裝置把送給控制閥的信號限制住而已,并不能改善克服反向擾動的控制品質。
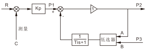
③對現有的PI控制器進行改進
許多控制器的積分網絡與控制器的輸出是固定的內部聯系。現可用外部接線加以改進,如圖2所示。控制器輸出接入低選器的一個輸入端,控制器防飽和點的相應信號P3接入低選器的另一端。當控制器的輸出還沒有達到開始飽和點(P2<P3),低選器隔斷控制器輸出與積分網絡的聯系,選中P3作為積分網絡的輸入,達到防積分飽和的目的。這種結構改進的關鍵是如何設計飽和點信號P3。

圖2 PI控制器的結構改進
④采用PD控制器
這是較為實用的方法。采用PD控制器能減少超調,與純比例控制器相比,還能減少系統的靜差,但不能消除靜差。如允許有較小靜差時,則采用PD將優先于PI,即不存在積分飽和問題。
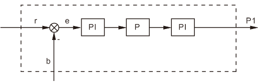
⑤采用串聯PID控制器
當負荷和設定值可能發生變化,而超調和靜差又不允許存在時,解決積分飽和的最好辦法是采用串聯PID控制器,它的簡單原理框如圖3所示。

圖3 串聯PID控制器原理圖
相關閱讀
◆PID控制中P、I、D參數的作用
◆怎樣選擇PID調節器的正作用和反作用
◆單回路調節系統和串級調節系統無擾切換怎樣實現
