昌暉數字量安全柵型號
◆YR9140A-EX-232A-232A-□-N
危險區輸入RS232,安全區輸出RS232,傳輸控制方式為全雙工
◆YR9140A-EX-232A-485A-□-N
危險區輸入RS232,安全區輸出RS485(全雙工),傳輸控制方式為全雙工
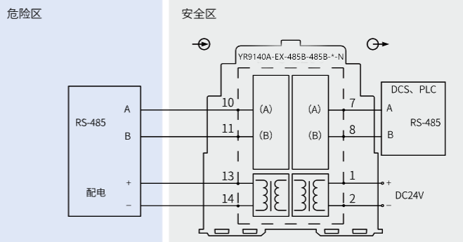
◆YR9140A-EX-485B-485B-□-N
危險區輸入RS485(半雙工),安全區輸出RS485(半雙工),傳輸控制方式為半雙工
◆YR9140A-EX-485A-485A-□-N
危險區輸入RS485(全雙工),安全區輸出RS485(全雙工),傳輸控制方式為全雙工
◆YR9140A-EX-485B-232A-□-N
危險區輸入RS485(半雙工),安全區輸出RS232,傳輸控制方式為半雙工
◆YR9140A-EX-232A-232A-□-LP
危險區輸入RS232,安全區輸出RS232,浪涌保護,傳輸控制方式為全雙工
◆YR9140A-EX-232A-485A-□-LP
危險區輸入RS232,安全區輸出RS485(全雙工),浪涌保護,傳輸控制方式為全雙工
◆YR9140A-EX-485B-485B-□-LP
危險區輸入RS485(半雙工),安全區輸出RS485(半雙工),浪涌保護,傳輸控制方式為半雙工
◆YR9140A-EX-485A-485A-□-LP
危險區輸入RS485(全雙工),安全區輸出RS485(全雙工),浪涌保護,傳輸控制方式為全雙工
◆YR9140A-EX-485B-232A-□-LP
危險區輸入RS485(半雙工),安全區輸出RS232,浪涌保護,傳輸控制方式為半雙工
數字量安全柵特點
ⅡC防爆等級;符合EMC標準;數字量之間的全雙工或半雙工雙向通信;高可靠性、低功耗、長壽命
數字量安全柵技術性能
◆工作電源:20-35VDC
◆通道數:單通道
◆功耗:約2W(24VDC供電,5V/80mA時)
◆危險區輸入信號范圍:RS232(全雙工)、RS485(半雙工)、RS485(全雙工)
◆安全區輸出信號范圍:RS232(全雙工)、RS485(半雙工)、RS485(全雙工)
◆傳輸延時:≤10μs
◆傳輸控制方式:全雙工或半雙工(取決于輸入和輸出信號)
◆絕緣強度:本安端/非本安端2500VAC/1分鐘;非本安端間1000VAC/1分鐘
◆向現場儀表供電:數字量安全柵型號可向現場儀表提供1路5V(80mA),6V(80mA),9V(50mA),12V(50mA)、24V(50mA)電源,電源電壓等級由用戶確定后生產
◆工作溫度:-20~60℃
◆相對濕度:35%-85%RH
◆貯存溫度:-40~80℃
◆產品結構:35mm導軌卡裝式,PC+ABS外殼材料,拔插式端子
◆外形尺寸:寬18.3×高113×深121mm
◆重量:150g
◆質保:60個月

數字量隔離式安全柵使用環境
◆安裝場所:數字量隔離式安全柵的周圍環境中不得有強烈震動、沖擊以及大電流和火花等電磁感應影響,空氣中應不含有對鉻、鎳、銀鍍層起腐蝕作用的介質
◆適用現場及設備:安裝在安全場所,可與具有ⅡA、ⅡB、ⅡC危險氣體的0區本安儀表相連,帶有RS23或RS485通訊接口設備
數字量隔離式安全柵浪涌保護特性(型號帶-LP的數字量安全柵)
◆最高連續工作電壓:30VDC
◆額定放電電流In:5kA(線對地、線對線)
◆依據標準:GB/T18802.21-2004
數字量隔離式安全柵安全防爆認證參數
◆國家防爆電氣產品質量監督檢驗中心(CQST)
◆防爆標志:[Exia Ga](ⅡC)
◆認證參數:
①端子(9和10之間)
Um=250VAC/DC;U0=17.85VDC;I0=314mA;C0=0.25μF;L0=0.16mH;P0=1.4W
②端子(13-15,14-15)
Um=250VAC/DC;U0=18VDC;I0=8mA;C0=0.25μF;L0=40mH;P0=36mW
數字量隔離式安全柵選型表
YR9140A-EX-①-②-③-④
①輸入信號類型
[232A]:RS232(全雙工)
[485A]:RS485(全雙工)
[485B]:RS485(半雙工)
②輸出信號類型
[232A]:RS232(全雙工)
[485A]:RS485(全雙工)
[485B]:RS485(半雙工)
③向現場儀表配電
[N]:不向現場儀表提供配電
[5]:5VDC/80mA配電
[6]:6VDC/80mA配電
[9]:9VDC/50mA配電
[12]:12VDC/50mA配電
[24]:24VDC/50mA配電
④輸入帶浪涌保護
[N]:不帶浪涌保護
[LP]:信號浪涌保護
數字量安全柵接線圖
◆RS485(半雙工)隔離安全柵接線圖

◆RS485A(全雙工)隔離安全柵接線圖

