
一入五出信號隔離器特點
1、高可靠性、高穩定性、高精度和極低溫度漂移。生產一入四出和一入五出信號隔離器對產品技術和生產工藝要求特高,本產品是可以體現工廠技術實力的,昌暉儀表隔離器性能達到國際先進水平。
2、易連接、超長使用壽命(十五年設計壽命,三年質保)。
3、DIN導軌安裝,插拔式端子
4、輸入/輸出/電源/通道間全隔離
一入五出信號隔離器常用型號:YR9044A-0-GGGGG-N
一入五出信號隔離器選型表
YR9044A-①-②③④⑤⑥-⑦
①輸入信號類型
[0]:4-20mA輸入(輸入阻抗≤100Ω)/輸入端子帶DC24V配電功能
[1]:0-75mV(輸入阻抗≥100kΩ)/可以用作直流電流變送器
[2]:0-5V(輸入阻抗≥100kΩ)
[3]:0-10V(輸入阻抗≥100kΩ)
[4]:0-250V(輸入阻抗≥100kΩ)
[5]:0-10mA(輸入阻抗≤100Ω)
[6]:0-20mA(輸入阻抗≤100Ω)
②OUT1輸出類型(OUT1~OUT5需要相同)
[G]:4-20mA輸出(輸出阻抗≤500Ω)/標準出廠配置
[A]:0-5V輸出(輸出阻抗≥10kΩ)
[B]:0-10V輸出(輸出阻抗≥10kΩ)
[D]:1-5V輸出(輸出阻抗≥10kΩ)
[E]:0-10mA輸出(輸出阻抗≤1kΩ)
[F]:0-20mA輸出(輸出阻抗≤500Ω)
③OUT2輸出類型(OUT1~OUT5需要相同)
[G]:4-20mA輸出(輸出阻抗≤500Ω)/標準出廠配置
[A]:0-5V輸出(輸出阻抗≥10kΩ)
[B]:0-10V輸出(輸出阻抗≥10kΩ)
[D]:1-5V輸出(輸出阻抗≥10kΩ)
[E]:0-10mA輸出(輸出阻抗≤1kΩ)
[F]:0-20mA輸出(輸出阻抗≤500Ω)
④OUT3輸出類型(OUT1~OUT5需要相同)
[G]:4-20mA輸出(輸出阻抗≤500Ω)/標準出廠配置
[A]:0-5V輸出(輸出阻抗≥10kΩ)
[B]:0-10V輸出(輸出阻抗≥10kΩ)
[D]:1-5V輸出(輸出阻抗≥10kΩ)
[E]:0-10mA輸出(輸出阻抗≤1kΩ)
[F]:0-20mA輸出(輸出阻抗≤500Ω)
⑤OUT4輸出類型(OUT1~OUT5需要相同)
[G]:4-20mA輸出(輸出阻抗≤500Ω)/標準出廠配置
[A]:0-5V輸出(輸出阻抗≥10kΩ)
[B]:0-10V輸出(輸出阻抗≥10kΩ)
[D]:1-5V輸出(輸出阻抗≥10kΩ)
[E]:0-10mA輸出(輸出阻抗≤1kΩ)
[F]:0-20mA輸出(輸出阻抗≤500Ω)
⑥OUT5輸出類型(OUT1~OUT5需要相同)
[G]:4-20mA輸出(輸出阻抗≤500Ω)/標準出廠配置
[A]:0-5V輸出(輸出阻抗≥10kΩ)
[B]:0-10V輸出(輸出阻抗≥10kΩ)
[D]:1-5V輸出(輸出阻抗≥10kΩ)
[E]:0-10mA輸出(輸出阻抗≤1kΩ)
[F]:0-20mA輸出(輸出阻抗≤500Ω)
⑦輸入帶浪涌保護
[N]:輸入無浪涌保護
[LP]:輸入帶浪涌保護
選型舉例
YR9044A-0-GGGGG-N
YR9044A-3-BBBBB-N
一入五出信號隔離器技術參數
◆ 輸入阻抗:電壓型≥100kΩ,電流型≤100Ω
◆ 輸出阻抗:0-500Ω
◆ 響應時間:<0.05s(0-90%)(TYP)
◆ 波紋:<10mVrms
◆ 一入五出精度:0.1%的終值
◆ 溫度系數:50ppm/K的測量值/100Ω負載
◆ 耐壓強度:500VDC是100MΩ以上,1500VAC/分鐘
◆ 電磁兼容性:符合GB/T 18268工業設備應用要求(等同IEC 61326-1)
◆ 工作溫度:-25~85℃
◆ YR9044A電源:DC24V±10%
◆ 一入五出功耗:<2W
◆ 外殼材質:尼龍PA.66
◆ YR9044A重量:約240g
◆ 一入五出外形尺寸:厚22.5×寬99×144.5mm
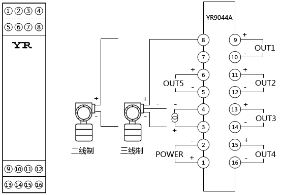
YR9044A一入五出信號隔離器接線圖

說明:二線制變送器接線時,3腳接變送器信號-,8腳(電源+)接變送器信號+;三線制變送器接線時,3腳變送器信號+,8腳(電源+)接變送器電源+,4腳接變送器地;四線制接線時,3腳接變送器信號+,4腳接變送器信號-。
